稱重式水面蒸發器
型號:FT-ZF1 發布日期:2026-02-02 14:34:13
稱重式水面蒸發器又稱蒸發量傳感器,稱重式水面蒸發器是一款可以用來觀測水面蒸發的儀器,整體采用雙層不銹鋼結構設計,可以防止太陽直射導致的蒸發量誤差。


型號:FT-ZF1 發布日期:2026-02-02 14:34:13
稱重式水面蒸發器又稱蒸發量傳感器,稱重式水面蒸發器是一款可以用來觀測水面蒸發的儀器,整體采用雙層不銹鋼結構設計,可以防止太陽直射導致的蒸發量誤差。
一、稱重式水面蒸發器工作原理
稱重式水面蒸發器又稱蒸發量傳感器,稱重式水面蒸發器是一款可以用來觀測水面蒸發的儀器,整體采用雙層不銹鋼結構設計,可以防止太陽直射導致的蒸發量誤差。應用壓力式測量原理,通過測量蒸發皿內液體重量變化,再計算出頁面高度,從而測得蒸發量。能夠適應各類環境的水面蒸發測量,不受液體結冰的影響,克服了使用超聲波原理測量液面高度時出現的結冰時測量不準、無水時易損壞傳感器、測量精度低等弊端。
二、稱重式水面蒸發器適用范圍
水面蒸發傳感器是用來感知水面蒸發量變化的傳感器,可以觀測水面蒸發在不同時間段的變化規律,適用于氣象觀測、植物栽培、種子培養、農林業、地質勘測、科學研究等領域。
既可與自動加水裝置、數據采集發送裝置等配套使用,實現蒸發過程自動監控,也可與數據采集存儲裝置(記錄儀)組合使用,實現蒸發數據的自動存儲,還可與雨量傳感器、數據采集發送裝置等搭配使用,實現蒸發、降雨過程的自動觀測和遠程傳輸。
三、稱重式水面蒸發器功能特點
1.可以防止太陽直曬引起的蒸發誤差,擁有比同行業產品更高的測量精度值,響應速度快;
2.整機選用304不銹鋼材質制成,耐腐蝕,不起銹,外觀精美,保證傳感器使用壽命;
3.壓力式測量原理,使用高精度的稱重原理測量蒸發皿內液體的重量變化,計算出液面高度,從而測量得到蒸發量,測量更準確,數據更科學;
4.雙層防護的設計結構,該產品采用雙層不銹鋼設計,可以隔離外界干擾,使測量結果更加準確;
5.停電后再通電,輸出數據依然正確;
四、稱重式水面蒸發器工作及存儲條件
工作溫度:-40~85°C
工作濕度:0~100%RH
儲存濕度:<80%(無凝結)
五、稱重式水面蒸發器技術參數
供電電壓:12V DC
測量范圍:0~190mm
測量精度:±1%
信號輸出:485 Modbus-RTU
響應時間:200ms
內桶口徑:φ200mm
防護等級:IP66
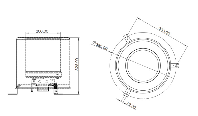
六、稱重式水面蒸發器產品尺寸圖

七、稱重式水面蒸發器安裝指導
1.安裝位置選擇須知
設備安裝地點應高出地面且須裝在水泥底座上,防止雨水淹沒底盤及倒灌進設備內部從而引起設備短路或線路故障。
2.安裝步驟
將產品拆箱,把外殼、內膽、底座放置于水平地面準備安裝,安裝步驟如下:
A去掉底部頂絲
B將內膽放置于底座托盤上
C將外殼罩在底座底盤上
D轉動外殼使外殼底部螺栓孔與底座托盤螺栓孔對齊后插入螺栓擰緊
E將組裝好的設備固定于預先制作好的水泥底座上