
一、水質浮標監測站功能簡介
1.水質浮漂監測站SFA集數據采集、存儲、傳輸和管理于一體的無人值守的采集系統。它在工農業生產、旅游、城市環境監測、地質災害、防洪、供水調度、電站水庫水情管理等為目的水文自動測報系統;功能強大的上位機軟件可遠程觀測實時水雨情信息,具有數據庫、報表、下載等功能,用戶還可利用該功能完善的氣象軟件對記錄的數據作進一步的處理分析。
2.SFA03款浮標是由水質傳感器(水溫、電導率、PH)、數據采集儀、通訊系統、供電系統、整體支架、水質監測平臺六部分組成。同時可擴展溶解氧、氨氮、 濁度、COD,多項水質要素。數據采集儀具有數據采集、實時時鐘、數據定時存儲、參數設定和標準2G/4G(GPRS)通信功能。
二、水質浮標監測站產品特點
1.易部署:各類型探頭進行高度集成,安裝方便;提供免費云平臺服務,系統快速上線;
2.易維護:設備安裝后,自行工作即可,無需人工值守,也可以通過遠程監控的方式保障設備的正常運行;
3.易擴展:傳感器探頭均使用統一的通信協議,可以快速對接原設備,快速擴展監測參數;
4.低功耗:設備可以實現低功耗狀態下,長時間運行,增加設備使用的便利性;
5.實時性:設備監測到的數據實時傳輸至云平臺,提升環境數據反饋的及時性。
三、水質浮標監測站技術參數
1.主體參數
| 產品名稱 | 描述 |
| 水質浮標監測站 |
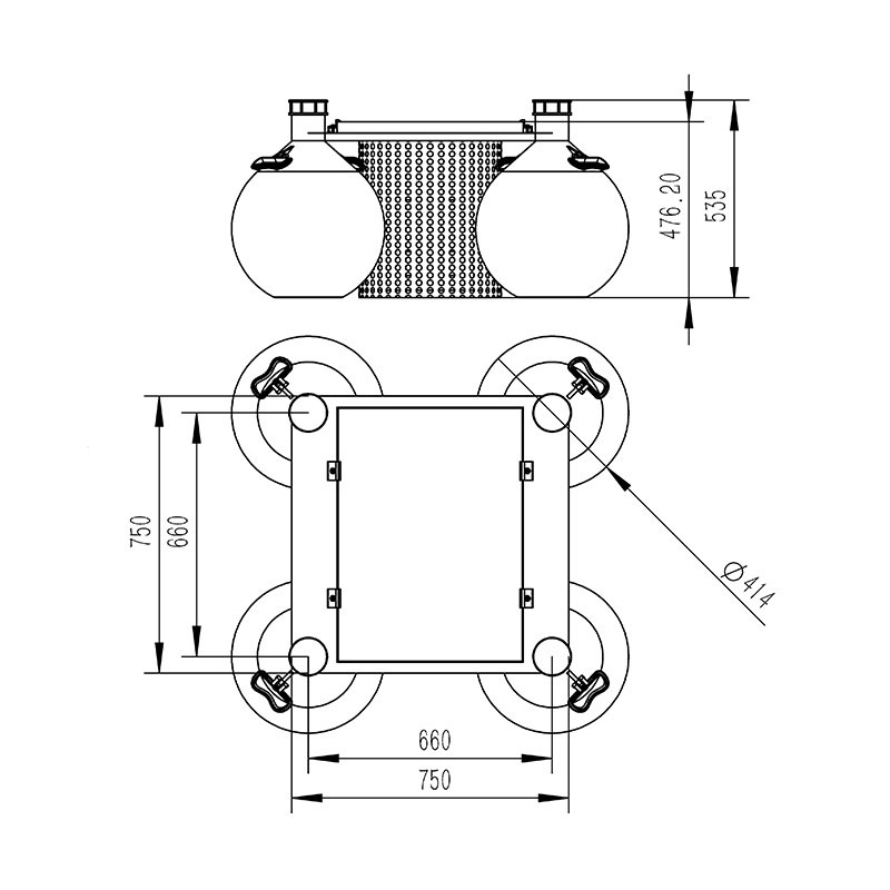
可實時實現多路參數在線監測。 可實現電池電量監控。 可實現云平臺數據監控、數據推送、 數據的存儲和報警功能;數據的無線發射功能。 峰值功耗為5W;傳感器功耗0.25W左右/只。 外形尺寸:750mm*750mm*535mm。浮球直徑414mm 重量:22kg |
| 采集器數據采集 | 運行可靠,抗干擾,可集成多路RS485/MODBUS-RTU從站設備 |
| 采集器數據輸出 | 1路Rs485/JSON協議輸出 |
| 電池 | 鋰電池12VDC,20AH(默認) |
| 太陽能電池板 | 22.1V/50W(默認) |
| 供電能力 | 定制選型;陰雨天間歇工作5天以上 |
| 位置指示(選配) | 警示燈;GPS 定位; |
| 監測平臺 | 云平臺;手機/電腦多終端登錄 |
| 防護罩 | 304不銹鋼濾筒防護罩 |
| 浮體 | 直徑414mm,球形浮體*4工程塑料 |
2.可選配傳感器的主要參數
| 型號 | 名稱 | 測量范圍 | 原理 | 測量精度 | 分辨率 | 是否標配 | 備注 |
| S3 | pH | 0~14(ph) | 電化學(鹽橋) | ±0.1PH;±0.1℃ | 0.01 | √ | 帶溫補 |
| S7 | 電導率 | 0~10000uS/cm | 接觸式電極法 | ±1.5%;±0.1°C | 1uS/cm | √ | 帶溫補 |
四、水質浮標監測站產品尺寸圖
五、水質浮標監測站設備安裝要求
1.遠離大功率無線電發射源
2.遠離高壓輸電線和微波無線電傳送通道
3.盡量靠近數據傳輸網絡
4.遠離強電磁干擾
六、水質浮標監測站云平臺介紹
1.CS架構軟件平臺,支持手機、PC瀏覽器直接觀測.無需額外安裝軟件。
2.支持多帳號、多設備登錄
3.支持實時數據展示與歷史數據展示儀表板
4.云服務器.云數據存儲,穩定可靠,易于擴展,負載均衡。
5.支持短信報警及閾值設置
6.支持地圖顯示、查看設備信息。
7.支持數據曲線分析
8.支持數據導出表格形式
9.支持數據轉發,HJ-212協議,TCP轉發,http協議等。
10.支持數據后處理功能
11.支持外置運行javascript腳本
文章地址:http://m.nanna.org.cn/zwsl/5265.html




